





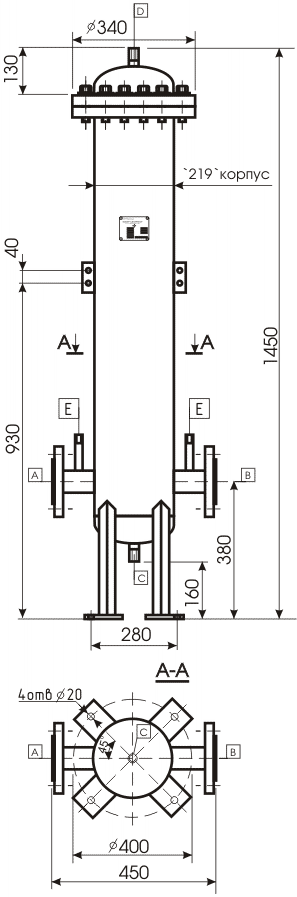
Обоз- наче- ние |
Наз- наче- ние |
Диаметр услов- ного прохода |
Рабочие дав- ление, МПа |
Кол- во |
Пос- тавка |
А |
Вход газа |
80 |
1.6 |
1 |
штат- но |
B |
Выход газа |
80 |
1.6 |
1 |
штат- но |
C |
Слив загряз- нений |
20 |
1.6 |
1 |
штат- но |
D |
Дренаж |
15 |
1.6 |
1 |
штат- но |
E |
Мано- метр |
M20x1.5 |
1.6 |
2 |
заказ |